
| VCES (V) | 1200V |
| Ic (A) | 600A |
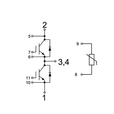
| Topology | Half Bridge |
| Package | T9 |
Features:
⚫ Vces=1200V Ic=600A Trench & Field Stop IGBT Module
⚫ Short Circuit Capability
⚫ Low Switching Loss
⚫ 100% RBSOA Tested(2×Ic)
⚫ Low Stray Inductance
⚫ Lead Free, Compliant with RoHS Requirement
Applications:
⚫ UPS System
⚫ Motor Drives
⚫ Servo Drives
⚫ Wind Turbines